超凡国际

D1D2

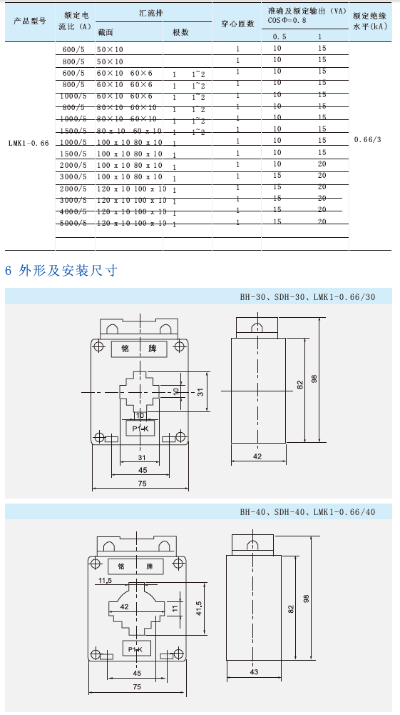
BH、SDH、MK1-0.66型电流互感器

所属分类:互感器

PDF File:

在线客服

1428967121

2281824741

var _hmt = _hmt || []; (function() { var hm = document.createElement("script"); hm.src = "https://hm.baidu.com/hm.js?4b3ee861d5af59f35934c3b5eef6acc3"; var s = document.getElementsByTagName("script")[0]; s.parentNode.insertBefore(hm, s); })();